- 斜軸ピストン
油圧モーター - モータ保護ブロック
- 木材破砕機軸
- ドラム破砕機軸
- パワーブースター
(増圧器) - 速度増幅バルブ
(シリンダー増速)
斜軸ピストンモーター
제除草機・木材破砕機に使用される油圧モーターです。回転するピストン方式で、高速で大トルク、角速度が高く、安定した回転力が長所です。- · 高い最大速度
- · 全速度範囲で滑らかな動作
- · 多様なシャフトおよび接続構成が可能
- · 高効率
- · オプションで速度センサー使用可能
- · 高回転剛性により急加速・急停止などの高速回転環境でも安定的に作動
| SCM 010-130 ISO | 010 | 012 | 017 | 025 | 034 | 040 | |
| 変位 | |||||||
|---|---|---|---|---|---|---|---|
| cm3/rev | 9.6 | 12.6 | 17.0 | 25.4 | 34.2 | 41.2 | |
| 圧力 | |||||||
| Bar | 最大性能値 | 400 | 400 | 400 | 400 | 400 | 400 |
| 最大連続使用可能値 | 350 | 350 | 350 | 350 | 350 | 350 | |
| 変数 | |||||||
| rpm | 最大性能値 | 8800 | 8800 | 8800 | 7000 | 7000 | 6300 |
| 最大連続使用可能値 | 8000 | 8000 | 8000 | 6300 | 6300 | 5700 | |
| 最小連続使用可能値 | 300 | 300 | 300 | 300 | 300 | 300 | |
| 有効電力 | |||||||
| kW | 最大電力 | 41 | 54 | 74 | 86 | 115 | 125 |
| 最小電力 | 15 | 20 | 25 | 40 | 55 | 60 | |
| 始動回転力 | |||||||
| Nm/Bar | 0.15 | 0.20 | 0.27 | 0.40 | 0.54 | 0.66 | |
| 回転抵抗(x10-3) | |||||||
| kg·m2 | 0.9 | 0.9 | 0.9 | 1.1 | 1.1 | 2.6 | |
| 重量 | |||||||
| kg | 8.5 | 8.5 | 8.5 | 9.5 | 9.5 | 16.5 | |
重量
除草機/木材破砕機/ドラム破砕機に適用されます。 安定性と耐久性を強化した三重油圧保護システムにより、装備の信頼性と寿命を高めるため、当社は3つの核心保護回路を採用しました。 オーバーランニング回路(Overrunning Circuit : 軸の慣性回転を維持し、急停止時に発生する油圧の衝撃から装備を保護します。これにより、回転軸およびモーターの耐久性を大幅に向上させました。 モータードレイン統合回路(Motor Drain Integrated Circuit : モーターの潤滑および冷却用ドレインラインが油圧ブロック内部を通じて直接制御され、予期せぬ回路遮断の状況でもモーターの損傷を防止します。 衝撃防止回路(Shock Relief Circuit : 回転中に外部衝撃や異物などによってモーターが突然停止した際に発生する急激な圧力上昇を迂回させ、油圧システム全体を安定的に保護します。この三重保護構造は、高出力環境においても安定した作動と長寿命を保証します。

木材破砕機軸
高強度パイプで製作された軸で、回転エネルギーを蓄積し、木材を破砕し停止を最小化します。
HARDOX550刃ブラケット/破砕刃
破砕刃/破砕刃ブラケット/円形バイトリミッターで構成。 破砕刃ブラケット : 破砕刃ブラケット:HARDOX550ウォータージェット・ミリング加工で製作され、衝撃耐性と耐摩耗性に優れ、長寿命です。 バイトリミッターで構成 : 円形ガイド板は一定量だけ破砕されるようにする機能で、作業中の外部衝撃が直接刃に伝わらないようにして耐久性を高めています。HARDOX550破砕刃
破砕刃は、かんな方式の破砕刃です。HARDOX 550をウォータージェット加工後、フライス加工により製作しています。両面に刃が加工されており、片面が摩耗した後も反対側の刃を使用することができます。
高強度ドラム破砕軸
ドラム形状の大型パイプで製作された軸で衝撃やたわみに強く、回転エネルギーを蓄積して安定した木材破砕を持続できるように設計されています。
HARDOX500刃ブラケット
HARDOX500刃ブラケットは、どのような環境でも破損せず、刃を固定することができます。バイトリミッターガイド一体型でドラム軸に溶接されます。岩などの外部衝撃から刃を保護し、
木材を適正な量だけ破砕できるようにし、回転を持続できるようにします。
HARDOX500破砕刃
鉋方式の破砕刃。HARDOX500 16tでミリング加工・曲げ加工で製作されています。
破砕作業と除草作業が可能で、耐久性に優れています。
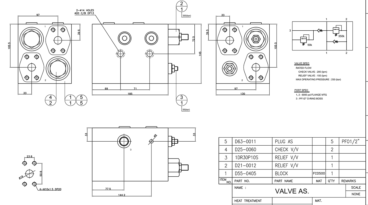
パワーブースター(増圧器
シリンダーのサイズを大きくせずに作動力を高める技術です。 この技術は伐採カッターに適用可能で、基本200barの油圧を400barまで増圧して切断力を向上させます。 無負荷区間では200barで作動し、負荷がかかる切断区間ではポンピング動作により圧力を400barまで高める方式です。
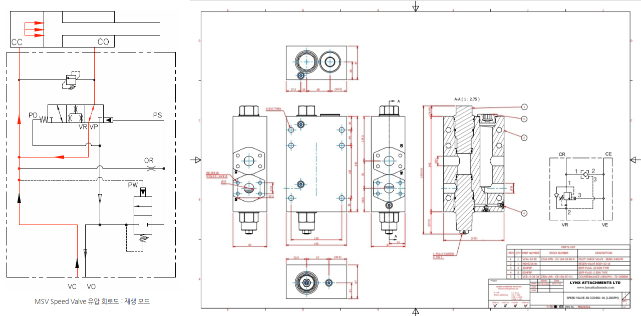
速度増幅バルブ(シリンダー増速)
カッターシリンダーの作業速度を高速化する油圧回路です。 効率的な油圧制御により、高速動作と強力な切断力を同時に実現します。 本技術は伐採カッター専用の増速バルブシステムで、無負荷区間ではシリンダー内部の流量を循環させて高速移送を確保し、負荷がかかる切断区間では、自動的に最大圧力(400bar)に切り替えられ、強力な切断力を発揮します。 通常、シリンダーの力は圧力と断面積に比例しますが、単純にピストンを大きくすると速度が低下し、装備の重量とコストが増加する問題が発生します。 増速バルブはこのような限界を解決し、軽量システムでも高性能な切断作業を可能にする核心技術です。 ドーナツ面積(ピストン面積−ロッド面積)分の流量を直接循環させて速度の損失を最小化し、ポンプ効率を最大化することで作業効率と燃費を全て向上させます。
